Customer service:021-64396125 52707212
E-mail:sales@hnliger.com
中文
English
中文版
English
Home
About us
Company Profile
Honor
Products
Residential Senser
Industrial Sensor
Commercial Sensor
Applications
Residential Senser Applications
Industrial Sensor Applications
Commercial Sensor Applications
Nemoto Group
About Nemoto Group
Nemoto Group Technology
News
Company news
Industry news
Contact us
Contact us
Leave message
Home
About us
Products
Applications
Nemoto Group
News
Contact us
Technical Information
Catalytic Type Gas Sensor
Electrochemical Type Gas Sensors
Gas Sensor For Fuel Cell
Gas Sensor For Gas Water Heater
网站Home
>
关于我们
>
网站Home
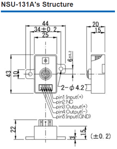
NSU-131A