客服电话:021-64396125 52707212
电子邮箱:sales@hnliger.com
中文版
English
中文版
English
首页
关于我们
公司简介
公司荣誉
产品介绍
民用气体传感器
工业用气体传感器
商用气体传感器
产品应用
民用传感器应用
工业用传感器应用
商业用传感器应用
CA88集团
集团概要
CA88技术
新闻中心
公司新闻
行业新闻
CA88
CA88
在线留言
首页
关于我们
产品介绍
产品应用
CA88集团
新闻中心
CA88
技术资料
催化燃烧式气体传感器
电化学式气体传感器
燃料电池专用气体传感器
燃气热水器专用传感器
网站首页
>
关于我们
>
网站首页
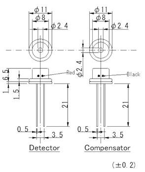
NC-170